Hydrogen
-
Trends
Integration of Hydropower and Hydrogen Gains Momentum
In May, U.S. national laboratories Idaho National Laboratory (INL) and the Pacific Northwest National Laboratory (PNNL) partnered with regulated utility Idaho Power to determine the viability of integrating
-
Hydrogen
Driving Decarbonization: Lessons Learned from Europe That Can Help Unlock the U.S. Clean Hydrogen Economy
Environmental experts consider decarbonization to be among the most important keys to minimizing the effects of climate change. While the transition to a low-carbon economy may present challenges, it also offers opportunities for innovation, the creation of new jobs, and sustainable economic growth. Accordingly, the U.S., like Europe and other parts of the world, has […]
-
Sustainability
Supercharging Decarbonization: How Engineered Solutions Can Accelerate the Transition
As pressure mounts, energy leaders must build a more-resilient, lower-carbon energy system. Technical, digital, and engineered solutions will play a critical role in this transition, but which options are most viable? Driving the Transition Through Diversification: The Role of Hydrogen According to SHOCKED, one of the largest global studies conducted among the energy sector C-suite, […]
-
Press Releases
Plug Power Showcases Portable Hydrogen Refueler Solution
ROCHESTER, N.Y., June 14, 2023 — Plug Power Inc., a global leader in comprehensive hydrogen solutions for the green hydrogen economy, will today host Analyst Day from its state-of-the-art Gigafactory in Rochester, NY. During Analyst Day, Plug’s management team will present the exciting revenue growth opportunities in the Applications and Energy business units, as well […]
-
Press Releases
Air Liquide and Groupe ADP announce the creation of “Hydrogen Airport”, the first joint venture to support the development of hydrogen infrastructure in airports
PARIS, France (June 16, 2023) — On the occasion of the 10th Paris Air Forum, Air Liquide and Groupe ADP announced the creation of Hydrogen Airport, the first engineering and consulting joint venture specializing in helping airports integrate hydrogen projects within their infrastructures. The governance team is in place and the joint venture has begun […]
-
Press Releases
Norwegian Group Produces First Batch of Aluminum Using Hydrogen-Fueled Production
OSLO, Norway (June 15, 2023) — Hydro, a Norway-based company, has produced the world’s first successful batch of aluminium using green hydrogen as an energy source. The test is another step towards carbon-free aluminium. Carbon-free green hydrogen replaced natural gas as fuel for the recycling of aluminium during the test. The test was carried out […]
-
Hydrogen
U.S. DOE Releases Report for Clean Hydrogen Strategy and Roadmap
The U.S. recently took another important step in implementing a comprehensive strategy to advance the production, processing, delivery, storage, and use of clean hydrogen. The Biden-Harris administration on June 5 released the U.S. National Clean Hydrogen Strategy and Roadmap (Hydrogen Roadmap), which serves as a summary of the current state of U.S. hydrogen production, transport, […]
-
Press Releases
Altronic, Prometheus Join With Plans to Make Hydrogen Viable
Girard, Ohio (June 2, 2023) — Prometheus Applied Technologies and Altronic, LLC, (a member of the HOERBIGER Group) are pleased to announce that they have entered into a Joint Sales and Marketing Agreement to leverage their respective expertise for the mutual benefit of the global internal combustion engine market. The initial goal is to develop […]
-
Legal & Regulatory
FERC Can Support Hydrogen by Taking Jurisdiction Over Interstate Pipelines
As the U.S. moves toward decarbonization, hydrogen is expected—in its green, blue, and grey varieties—to increasingly be an alternative to conventional fossil fuels. It can be produced in abundance from
-
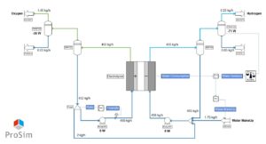
Press Releases
Hydrogen: new “Electrolyzer” module in ProSimPlus simulation software to optimize the design, maximize the efficiency, and reduce the energy consumption of hydrogen production units
Labège, 30 may 2023 – ProSim, a provider of software and services for simulation and optimization of industrial processes, has announced the addition of an electrolyzer module in the new version of its ProSimPlus software. By combining this module with other equipment from the ProSimPlus library, users can simulate the entire process of hydrogen production […]
-
Press Releases
New Report Highlights Where Federal Funding for Regional Clean Hydrogen Hubs Could Have the Most Impact
Minneapolis, MN/Washington, DC – May 24, 2023 – Clean Hydrogen production must quickly scale beyond the U.S. Department of Energy’s (DOE) initial H2Hubs program locations in order to reach DOE’s clean energy targets over the next three decades, according to The Landscape of Clean Hydrogen: An Outlook for Industrial Hubs in the United States released […]
-
Distributed Energy
Maryland Microgrid Will Produce Hydrogen for County’s Transit Fleet
A microgrid project in Maryland could become a model for how integrated off-grid systems generate power for commercial and industrial installations, along with producing hydrogen to fuel transportation vehicles. AlphaStruxure, a joint venture of Schneider Electric and Carlyle, on May 18 announced development of project that will feature bus charging and on-site green hydrogen production. […]
-
Hydrogen
500-MW Hydrogen Power Plant Planned in Arkansas
An Arkansas city known for its use of renewable energy announced plans to break ground this year on a power plant that would be part of the state’s first so-called “hydrogen hub.” Officials in Clarksville on May 12 signed an agreement with Syntex Industries, part of SyntexNRG, to design and build the Syntex Hydrogen Power […]
-
Press Releases
Hy Stor Energy Submits Formal Application to U.S. DOE for Funding to Develop Large-Scale Clean Hydrogen Production and Storage at Mississippi Clean Hydrogen Hub
JACKSON/GULFPORT, Miss., May 11, 2023 — Hy Stor Energy LP (Hy Stor Energy), a company pioneering carbon-free renewable hydrogen production and storage at scale, announced that it has applied for U.S. DOE funding support for the MCHH through the U.S. DOE’s Regional Clean Hydrogen Hub initiative. MCHH distinctively benefits from existing private investment in Hy Stor Energy […]
-
Electrification
New Technology Offers Options for Floating Offshore Wind and Power-to-X Projects
New technology is regularly being developed and enhanced to improve power delivery and incorporate more renewable energy into systems. ABB Energy Industries is among the companies investing in solutions to make future power systems better. Among its current focus areas are deploying subsea power distribution and conversion concepts to support the floating offshore wind industry, […]
-
History
Enduring Value: Entergy’s More Than 100-Year-Old Story
One man’s ambition to electrify the Middle South and improve its economic outlook 110 years ago evolved from a handshake for steam from a boiler powered with waste sawdust into Entergy Corp., a
-
Hydrogen
Overcoming Green Hydrogen’s Major Operational Cost: Electricity
There are many ways to create hydrogen from renewable energy resources. The challenge is to reduce the cost of such fuel production, in order to position green hydrogen as a viable option to support
-
Commentary
Hydrogen Horizon: The Need for Responsible Production as Demand Rises
As we witness global energy demands becoming progressively complex and decentralized, decarbonization stands as one of the biggest challenges of the current generation. Addressing the issues surrounding the
-
Trends
South Korean Companies Snap Up Opportunities to Advance Floating Nuclear, Nuclear Hydrogen, SMRs
Days after Korea Hydro & Nuclear Power (KHNP) announced it would participate in a consortium to develop floating nuclear power plants, the owner and operator of South Korea’s 25 nuclear power plants joined forces with TerraPower to bolster the demonstration and commercialization of Natrium, TerraPower’s sodium-cooled fast reactor integrated energy system. The deals were announced […]
-
Press Releases
The world’s first dynamic, green Power-to-Ammonia plant takes shape
The green transition demands efficient storage of renewable energy, to which end a number of Power-to-X plants are under construction in Denmark. They are designed to convert green electricity to another form of energy, such as green fuels. And in the vanguard of this new technology is Lemvig, where the construction of the world’s first […]
-
Press Releases
Glenfarne Energy Transition Launches Hydrogen Fuels Initiative
NEW YORK, NY, and HOUSTON, TX (April 12, 2023) – Glenfarne Energy Transition, LLC (“Glenfarne” or the “Company”) a wholly owned subsidiary of Glenfarne Group, LLC, focused on addressing the “here and now” global energy transition announces the formation and launch of its Glenfarne Hydrogen Fuels Initiative. The initiative aims to produce sustainable, zero carbon […]
-
Press Releases
Bear Head Energy Receives Environmental Approval for Large-Scale Green Hydrogen and Ammonia Project in Nova Scotia
HOUSTON and PORT HAWKESBURY, Nova Scotia, April 12, 2023 — Bear Head Energy, Inc. (the “Company”) announced today it has received Environmental Assessment approval from the Honourable Timothy Halman, Minister of Nova Scotia Environment and Climate Change, for the Company’s green hydrogen and ammonia production, storage, and loading facility (“Bear Head”) in Point Tupper, Nova […]
-
Press Releases
NewHydrogen Reports Progress in the Development of Its Breakthrough Green Hydrogen Generator
SANTA CLARITA, Calif., April 11, 2023 — NewHydrogen, Inc. (OTC:NEWH), the developer of a breakthrough green hydrogen generator that uses renewable energy and water to produce low-cost green hydrogen, today reported progress in the development of its prototype. The prototype benchmarking phase has been completed and is now available to evaluate the Company’s novel low-cost […]
-
Press Releases
Flowserve and Hydrogen Optimized Announce Partnership to Advance Market-Ready Large-Scale Green Hydrogen Production Technology
DALLAS, TEXAS and OWEN SOUND, ONTARIO, CANADA — (April 11, 2023) —Flowserve Corporation (NYSE:FLS), a leading provider of flow control products and services for the global infrastructure markets, and Hydrogen Optimized, a developer and manufacturer of large-scale green hydrogen production systems, announced today that the companies have entered into a memorandum of understanding (MOU) to […]
-
Hydrogen
Successful Test of Hydrogen in Gas Turbine Driving a Natural Gas Compressor in Germany
A project led by two major European gas transmission system operators (TSOs) has successfully tested blending rates of up to 25% hydrogen on a Titan 130 SoLoNOx Solar Turbines gas turbine, which serves as a
-
Press Releases
Mitsubishi Power Supporting Efficient Utilization of Hydrogen in the Petroleum Refining Process
TOKYO, Japan (March 30, 2023) — Mitsubishi Power, a power solutions brand of Mitsubishi Heavy Industries, Ltd. (MHI), has begun providing ENEOS Corporation with an energy balance optimization service to realize efficient utilization of hydrogen in the petroleum refining process. As part of a demonstration experiment conducted at the ENEOS Corporation Sakai Refinery in Osaka, […]
-
Press Releases
H-TEC SYSTEMS presents a modular hydrogen electrolyzer for large-scale projects of 10 MW upwards
Augsburg, Germany (March 30, 2023) — Demand for large-scale hydrogen projects from industry is steadily increasing. As a pioneer in the industry and specialist in PEM electrolysis systems, H-TEC SYSTEMS has duly recognized the growing need and, through its new Modular Hydrogen Platform (MHP), has realized a scalable system for the industrial production of green hydrogen. […]
-
Press Releases
Commercially operated Wärtsilä engine runs on 25 vol% hydrogen blend, a world first
The technology group Wärtsilä and WEC Energy Group have successfully tested the capabilities of a Wärtsilä engine running on 25 vol% hydrogen-blended fuel. The tests, which were completed in October 2022, were conducted at WEC Energy Group’s 55 MW A.J. Mihm power plant in Michigan, USA using an unmodified Wärtsilä 50SG engine. Throughout the testing […]
-
Press Releases
Fusion Fuel Awarded €3.6 Million in Grant Funding for 1 MW Green Hydrogen Mobility Project
SABUGO, Portugal (March 20, 2023) — Fusion Fuel announced today that the company has been awarded €3.6 million in grant funding through Component 5 (‘C-5’) of Portugal’s Recovery and Resilience Plan to develop a 1 MW decentralized green hydrogen production facility co-located with a hydrogen refueling station in Elvas, Portugal. Fusion Fuel had previously been awarded […]
-
Press Releases
H2U Technologies and Tokyo Gas Enter Joint Agreement to Develop Low-Cost Electrolyzers
CHATSWORTH, Calif. – March 9, 2023 – H2U Technologies and Tokyo Gas Co., Ltd. have partnered under a multi-year Joint Development Agreement (JDA) to discover novel catalysts and develop techniques to apply those catalysts onto membranes. The companies will leverage H2U’s proprietary Catalyst Discovery EngineTM (CDETM) to reduce the cost of Proton Exchange Membrane (PEM) […]